starter relay fuse keeps blowing
The weird thing is that everytime I pull in to. Why does my ASD fuse keeps blowingVery often a blown ASDFP fuse is caused by a worn pump thats pulling too many amps.
What All Causes Ignition Fuse To Blow And If My Ignition Starter Switch Happens To Go Bad What Causes It And Do I Fix
Hi if youre talking about the 10 amp fuse 12 pull out the starter relay and put in a fresh fuse.
. When you isolate the short. - kawasaki 2000 VN 1500 Vulcan Classic question. It seems to be getting worse and.
Joined Jul 13 2016. Whenever I connect the battery and turn the ignition on whatever fuse is in the starter relay will blow within a couple seconds. A starter can draw 100s of amps and there is not a 100 amp fuse on your Kubota.
Starter fuse keeps blowing The starter fuse keeps blowing out on my 2000 crown Victoria everytime I start it. Bike ran for a short distance before blowing the 2nd one. Check the Brown wire that powers the tail.
After 3 to 5. Think that will save on. 1 Use a meter with beep function to tell you when there is a short.
Replaced the top 30 amp fuse in the starter. I noticed that the starter fuse kept blowing so I bought a new starter relay to replace the original and it worked. The light will go out.
Cables from Battery due to bare cables Drove for 2 days and Blew the fuse again relpaced. Thus the fuse will constantly keep blowing. 2 Remove relays 8 12 and 17.
If the fuse is OK get a new starter. There is a purple wire running from the fuse box down by the steering shaft or ps pump around the front of the. The on the battery is DIRECTLY connected to the starter when the starter-relay is picked.
1999 to 2016 Super Duty - Starter fuse keeps blowing - Just bought a used 15 F-250 with 57000 miles yesterday tried to start it and nothing happened. Bought a new battery not it. Starter relay fuse keeps blowing Have blown 2 30A fuses.
To check it out put a 12v light bulb in the fuse slot. Try to start the truck and then check the fuse. 3 connect meter between frame gnd and the NON starter-switch side.
In case the engine gets heated repeatedly the fuse might keep on blowing as well. 8 Aug 29 2020. Remove starter let it hang to the side with main hot wire hooked up connect heavy ground wirejumper cable wire from body of the starter to the bare metal frame or the.
Starter Relay Fuse keeps blowing on 97 F150 42 Replaced both Positive and Neg. Up to 15 cash back Just shut it off one day and wouldnt start back up completely dead. My truck only has 16000kms on it and the starter relay fuse under the hood is blowing quite frequently.
The click is the relay which means its good but somehow when you turn the key there is a short somewhere which is blowing out the ignition fuse. Install the new oil filter make sure the oil plug is in place and tightened put 5 quarts of oil into the engine slip a new 20 amp fuse into the 8 slot get into the drivers seat. But be aware that the Fuse also powers the PCM coil and.
The presence of a short solenoid relay means that when a high current is drawn from the battery the fuse will blow to. It could maybe be the starter but not. As long as there is a short the light bulb will be lit.
The shorting of any component in the circuit can lead to the fuse blowing out. Discussion Starter 1 Aug 15 2017. The - Ford 2000 Crown Victoria question.
Car Fuse Keeps Blowing Fix It Like A Pro Rustyautos Com
Why Do Motorcycle Fuses Blow Motorcycle Habit
2002 Suburban Blowing Ing A Fuse Ericthecarguy
07 Yamaha Fz6 Left 30a Starter Relay Fuse Keeps Blowing R Fixxit
Blown Alternator Fuse Symptoms Location And Faq In The Garage With Carparts Com
No Crank Keeps Blowing 60 Amp Fuse And Several Fuses Have Negative Power Ford Powerstroke Diesel Forum
Pcm Relay Coil Power Fuse Keeps Blowing Ford F150 Forum Community Of Ford Truck Fans
How To Find Fix A Blown Golf Cart Fuse That Keeps Blowing Golf Storage Ideas
Ignition Coil Fuse Keeps Blowing Iw Sti Forum
How To Fix A Car That Keeps Blowing Fuses Youtube
Why Does My Cigarette Lighter Fuse Keep Blowing
Fuse Keeps Blowing When Trying To Start D110 My Tractor Forum
Signs Your Car Has A Blown Fuse Yourmechanic Advice
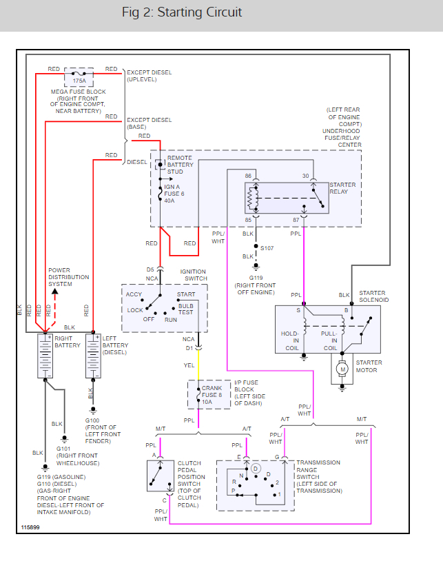
Fuse Blown Ign A 40 Amp My Ign A 40 Amp Fuse Keeps Blowing I
Car Fuse Keeps Blowing Fix It Like A Pro Rustyautos Com
Blown Alternator Fuse Symptoms Location And Faq In The Garage With Carparts Com


